
+
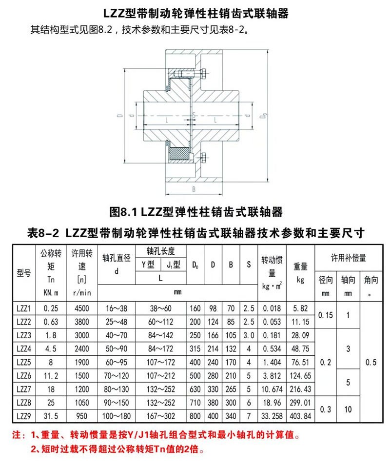
LZZ型带制动轮弹性柱销齿式联轴器
弹性柱销齿式联轴器是利用若干非金属材料制成的柱销,置于两半联轴器与外环内表面之间的对合孔中;通过柱销传递转矩实现两半联轴器联接
所属分类
详细介绍
产品特点
弹性柱销齿式联轴器是利用若干非金属材料制成的柱销,置于两半联轴器与外环内表面之间的对合孔中;通过柱销传递转矩实现两半联轴器联接,该联轴器具有以下特点:
传递转矩大,体积小,质量轻,维修方便,寿命较长,不需要润滑,但此联轴器减震动能差,噪声较大。
应用场合
弹性柱销齿式联轴器适用于同轴线的传动轴系,利用尼龙棒纵断面剪切强度。可传递很大的转矩,0.112 ~ 2800KN.m。工作温度-20 ~ 70℃,可部分的代替齿型联轴器。具有一定补偿轴向能力,和一般的减震性能。
在线咨询
立即联系我们,获取免费的专家咨询服务!
相关产品
G型联轴器除了具有R型联轴器的主要优点外,G型的半联轴器有更大的轴径包容能力,并可制成直孔、锥孔(液压装拆),或方便地与法兰轴盘连接。G型特别适用于大型电动机、发电机或蒸汽透平机组。G型联轴器是所有联轴器中装拆最方便的一种。
R型结构使其左右重心最大限度地靠近两侧机组的支撑轴承,对转子轴头的附加弯矩小,利于高速平稳运转。挠性体(半联轴器+膜片组+护套)已于出厂前整体装配好,与中间节止口连接,整体装拆,整个联轴器即使多次装拆亦保持永久的对中和动平衡。两挠性体(膜片)之间距离大,联轴器吸收机组不对中能力强。中间节(足够长)拆下来即可方便地从轴上拆下半联轴器,而不必移动机组(安装时亦然)。中间节两端的垫片可增减以补偿安装误差,以及方便地实现预拉伸以吸收机组热位移或其他动态不对中。
NUP弹性套材料采用聚氨酯加石墨,韧性好,自润滑耐磨。中空网格设计,三种弹性选择,吸振抗冲击。锥孔螺栓,紧配合不松动。
因其高安全可靠性、出色的吸振抗冲击能力、获100多家用户的一致好评,本联轴器分别获得国家科技部、省科技厅、市科委创新基金奖励。
沈阳申克动力机械有限公司
微信联系
